网站首页
走进威铭
产品世界
荣誉资质
常见问题
注意事项
联系我们
济宁威铭液压设备有限公司
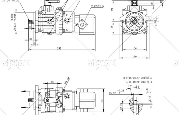
HZAC-13H-8
上一篇:
HZAC-13H-6
下一篇:
HZAC-21H-8