网站首页
走进威铭
产品世界
荣誉资质
常见问题
注意事项
联系我们
济宁威铭液压设备有限公司
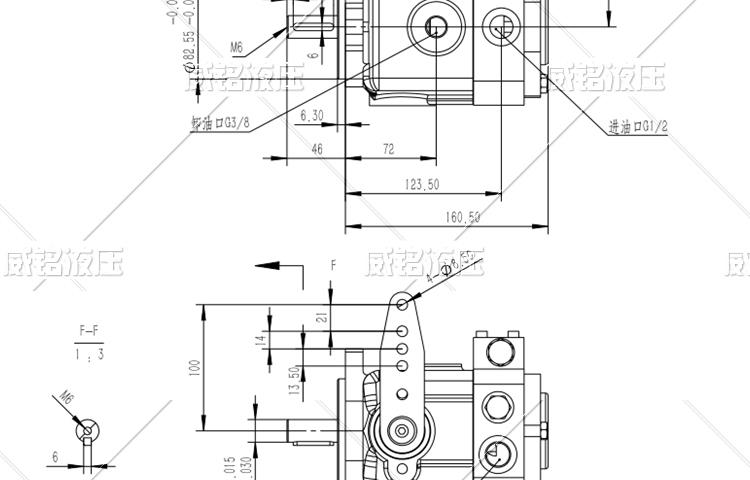
HZD-13-H
上一篇:没有了
下一篇:
HZD-18-H